News

09 Charger

09 Charger

The 09 Charger holds a unique place in the history of American muscle cars, representing a pivotal era for Dodge as they refined the balance between aggressive styling and modern performance. Even years after its production, this specific model year remains a favorite among enthusiasts who appreciate the raw power of the HEMI engine paired with the iconic silhouette that defined a generation of sedans. Whether you are looking for a reliable daily driver with an attitude or a project car to modify, the 2009 Dodge Charger offers a compelling blend of nostalgia and mechanical capability that few other vehicles from that period can match.

Understanding the 09 Charger Performance Lineup

09 Charger parked on a track

One of the primary reasons the 09 Charger remains highly sought after is its diverse engine lineup. Dodge provided options that catered to both budget-conscious commuters and adrenaline-seeking gearheads. The base model featured a 2.7L V6, while the mid-tier SXT trim upgraded to a 3.5L V6, offering a more balanced power-to-fuel-economy ratio. However, the real stars of the show were the V8 variants.

The R/T trim level came equipped with the legendary 5.7L HEMI V8, which received significant internal improvements for the 2009 model year. This included Variable Valve Timing (VVT), which helped boost output to 368 horsepower. For those demanding the pinnacle of performance, the SRT8 model featured a 6.1L HEMI, pushing an impressive 425 horsepower. This level of power ensured that the 09 Charger was not just a cruiser, but a legitimate track-ready performer.

Technical Specifications Overview

When evaluating a vehicle of this age, understanding the core mechanical differences between trim levels is essential. The following table breaks down the primary engine specifications for the 2009 model year.

Engine Horsepower Torque Transmission
2.7L V6 178 hp 190 lb-ft 4-Speed Auto
3.5L V6 250 hp 250 lb-ft 5-Speed Auto
5.7L HEMI V8 368 hp 395 lb-ft 5-Speed Auto
6.1L HEMI V8 425 hp 420 lb-ft 5-Speed Auto

Key Maintenance Tips for Long-Term Reliability

Owning an 09 Charger requires diligence, especially when it comes to maintaining a vehicle that is now over a decade old. Regular maintenance is the key to preventing common issues associated with the HEMI powerplants and the electrical systems. If you plan on keeping your Charger running smoothly for years to come, prioritize the following tasks:

  • Fluid Management: Change the synthetic oil every 5,000 miles to protect the internal components of the HEMI engine.
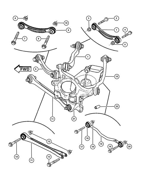
  • Suspension Check: The front-end suspension components, specifically the control arms and tie rods, are known to wear out over time. Inspect these during every tire rotation.
  • Transmission Care: Ensure the transmission fluid is flushed at the manufacturer’s recommended intervals to prevent slipping.
  • Electrical Systems: Monitor the battery health closely, as older Chargers can be sensitive to voltage drops which may cause dashboard warning lights to flicker.

⚠️ Note: Always use the manufacturer-recommended oil viscosity for your specific engine, as the MDS (Multi-Displacement System) in the 5.7L HEMI relies on specific oil pressure to engage and disengage cylinders correctly.

Customization and Potential Upgrades

The aftermarket community for the 09 Charger is massive, making it an excellent platform for those who enjoy personalizing their ride. Whether you are focusing on aesthetics or performance, there are countless ways to make the vehicle your own. Many owners choose to start with basic “bolt-on” upgrades that yield immediate results.

For performance enthusiasts, cold air intakes and cat-back exhaust systems are the most popular starting points. These modifications allow the HEMI engine to breathe more freely, enhancing both throttle response and the signature muscle car sound. Furthermore, upgrading to performance brake pads and rotors can significantly improve the stopping power of the heavy sedan, making it feel more confident during spirited driving.

Handling and Driving Dynamics

Despite its size and weight, the 09 Charger handles with surprising grace. The rear-wheel-drive architecture provides an authentic driving experience, and the electronic stability control system acts as a safety net when road conditions turn wet or icy. Owners often praise the highway cruising capabilities of the car; its long wheelbase and well-tuned suspension absorb road imperfections, making it an ideal companion for long road trips.

If you find that the stock handling feels a bit too soft, you can easily upgrade the sway bars and struts. Many aftermarket companies offer “handling packages” specifically designed for the LX platform, which tighten up the steering and reduce body roll during cornering. This simple modification can make a massive difference in how the car feels on winding backroads.

Ensuring Safety and Longevity

Safety was a priority for Dodge in 2009, with features like side-curtain airbags and advanced multi-stage front airbags coming standard. To keep these systems functioning at their best, it is important to avoid modifications that interfere with the vehicle’s electrical wiring harness. When installing new headlights or sound systems, always use professional-grade harnesses to prevent shorts that could trigger airbag warning lights.

💡 Note: If you encounter an "ESP/BAS" warning light on your dashboard, it is often related to a faulty wheel speed sensor. This is a common and relatively inexpensive repair that should be addressed immediately to ensure your safety systems remain active.

The 2009 Dodge Charger continues to be a standout choice for automotive enthusiasts who crave a blend of power, style, and practicality. Whether you gravitate toward the efficient V6 trims or the high-output HEMI engines, the vehicle offers a driving experience that feels distinctly American. By staying on top of routine maintenance and addressing common wear items proactively, you can ensure that your car remains a reliable and thrilling machine for years to come. Ultimately, the lasting popularity of this model proves that when a car hits the right balance of design and performance, it never truly goes out of style.

Related Terms:

  • 2009 dodge charger price
  • 2009 white dodge charger
  • 2009 dodge charger daytona
  • 2009 dodge charger trims
  • 2009 dodge charger nada
  • 2009 dodge charger blue book